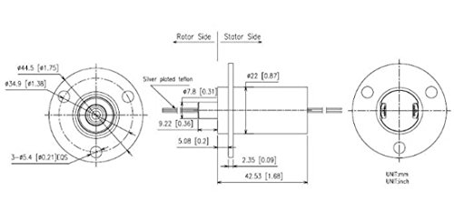
Logisaf 22mm 300Rpm 24 Circuits Capsule Slip Ring 2A 240V Test Equipment
[Product Information]