1 Yearu0026nbsp;Local (Singapore) manufacturer warrantyu0026nbsp;
more
- 1 Yearsu0026nbsp;Local Manufacturer Warranty
- Fits 32" - 43" TV depending on VESA Standard Requirement
- High Quality
- Model No: SGB-430
- VESA Standard : 200 X 200, 400 X 200 , 300 X 300 , 400 X 400
- Profile: 53 mm
- Type: Flat Wall Bracket
- With Water Level Indicator
Product details of Titan SGB-430 Tilting Wall Bracket. Fits most 32" - 43" LED, LCD, Plasma and Curved TV's*.1 year Local Manufacturer Warranty
Today it has become very important to conserve space, especially in a small apartment or flat. Due to the need to save space, many people like to find new and creative ways to organize and decorate their homes. Though televisions are now innovated to have a slimmer body it still takes up a lot of space especially when placed in cabinets or tables.
If you want to save space, a great way to do it is to mount it on your wall by using this Titan wall bracket suitable for 32”-55” televisions. The attached hooks of the bracket are adjustable, allowing it to be tilted downwards or upwards to a maximum ofu0026nbsp;12 degrees. Not only does it allow you to use the space on your cabinets, tables and such, it gives your home a more modern feel.
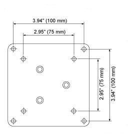
Below Image shows skeletal dimensions of Titan SGB430
Below Image shows skeletal dimensions of Titan SGB430
Brief Description
Its slim design enables it to stick closely to the wall and gives it a sleek look instead of looking bulky.
Model no: SGB-430
For TV Size: 32" - 43" (VESA Standard Required)
Profile:u0026nbsp;53 mm
Type:u0026nbsp;Tilting Wall Bracket
Tilting: +12 degreesu0026nbsp;u0026nbsp;u0026nbsp; ~u0026nbsp;u0026nbsp;u0026nbsp; -12 degrees
VESA Standard:u0026nbsp;200 x 200, 400 x 200, 300 x 300, 400 x 400
Max Weight Support: 40 Kgs
Installation Not Includedu0026nbsp;u0026nbsp;
Caution
- Usage with products heavier than the rated weights indicated may result in instability causing possible injury.
- Mounts must be attached as specified in assembly instructions as improper installation may result in damage or serious personal injury.
- Safety gear and proper tools must be used. This product should only be installed by qualified professionals.
- This product is designed to be installed only on solid concrete walls or brick walls. Installation not allowed on plasters, false walls and hollow walls.
- Make sure that the supporting surface will safely support the combined weight of the equipment and all attached hardware and components.
- Use the accessories provided and DO NOT OVER TIGHTEN mounting screws. DO NOT USE YOUR OWN PERSONAL SCREWS. DO NOT ATTEMPT TO INSTALL THIS BRACKET ON YOUR OWN.
- This product contains small item which may be a choking hazard. Keep them away from children and prone ones.
- This product is intended for indoor non commercial use only. Using this product otherwise could lead to product failure and personal injury.
- After installation, check that the bracket is secure and safe to use. At regular intervals, (at least every 3 months), check that the bracket is secured to your concrete wall as how it was installed and that it is secure and safe.
Point To Note
The bracket is a universal type and hence does not understand the needs of your TV. It is your duty to ensure that your TV is as per the VESA Standard recommended by us, which in this case is:u0026nbsp;200 X 200, 400 X 200 , 300 X 300 , 400 X 400
We also strongly encourage the use of a qualified contractor to install the wall bracket for you. You may call us at 63840509 or email us atu0026nbsp;
enquiry@newvision.com.sgu0026nbsp;should you need any assistance in locating a contractor for a nominal fee.
New Vision Electronics Pte Ltd will not be responsible for any bodily damage, financial damage,u0026nbsp;incidents or injuries arising from the improper use of this product.
* Description of "Fits Most 32- 43" TV refers to TV's with VESA Standard as recommended by us, which in this case is:u0026nbsp;200 X 200, 400 X 200 , 300 X 300 , 400 X 400
As long as your TV's VESA Standard is at one of this dimensions, you are good to go.
What is VESA Standard?
VESA (Video Electronics Standards Association) is a professional organization made up of a group of video electronics industry professionals, their purpose is to review proposals and develop standards to promote uniformity in the video electronics industry. Established in 1989, VESA works to develop industry-wide interface standards for a large variety of products including Flat Panel TVs and monitors.
VESA has developed a set of standards for the manufacturing of flat screen televisions and PC monitors. Most manufacturers comply with this standard by adhering to an industry wide �hole pattern� on the back of their displays for mounting purposes. A typical VESA hole pattern for flat panel displays can be one of the following sizes:
- 75 mm x 75 mm (75 mm = 2.95 inches)
- 100 mm x 100 mm (100mm = 3.94 inches)
- 200 mm x 200 mm (200 mm = 7.87 inches)
- 400 mm x 400 mm (400 mm = 15.7 inches)
How do you know if your Flat Screen TV is VESA compliant?In order to assure mount compliance with your selected display please measure the vertical and horizontal center line distance between hole pattern. This measurement should conform to one of the dimensions described above.u0026nbsp;Images below illustrates the VESA Standard samples.

u0026nbsp;u0026nbsp;u0026nbsp;

A You Tube video is incorporate din this listing as a guide on how to measure the VESA of your TV. Alternatively, you can also refer to the User Manual / Technical Specsu0026nbsp;of your TV.
Why are there so many screws provided?
Simple. Different models of TV's use different measurements of screws to tighten the mount sticks onto the back of the TV. As such, you will need to determine the screw size which your TV uses. You will be able to get this information from your TV's manufacturer website, User Manual, Tech Specs Manual or Quick Start Guide.
Do note that the bracket is a universal type and hence will not be able to understand the specs of your TV. It is not a One Size Fits All Type. As such, it is your responsibility to find out the M Size which your TV will require.
If you are still unsure, pls call us at 63840509 or drop us an email atu0026nbsp;
enquiry@newvision.com.sgu0026nbsp;and we will assist you.u0026nbsp;
What's in the box?
1 x Titan SGB430 Wall Panel
2u0026nbsp;x Titan SGB430 TV Sticks
4 x M4 x 30 Screws
4 x M5 x 30 Screws
4 x M6 x 30 Screws
4 x M8 x 30 Screws
4 xu0026nbsp;D5u0026nbsp;Flat Aluminium Washers
4u0026nbsp;xu0026nbsp;D8 Flatu0026nbsp;Aluminiumu0026nbsp;Washers
4 xu0026nbsp;M-G Nylonu0026nbsp;Washer
4 x W-Au0026nbsp;Screws For Wall Plugs
4 x W-B Plastic Wall Plugs
4 x W-C Washers
HAPPY SHOPPING !!!!
View more
Specifications of Titan SGB-430 Tilting Wall Bracket. Fits most 32" - 43" LED, LCD, Plasma and Curved TV's*.1 year Local Manufacturer Warranty
What's in the box:
- 1 x Titan SGB430 Wall Panel
- 2u0026nbsp;x Titan SGB430 TV Sticks
- 4 x M4 x 30 Screws
- 4 x M5 x 30 Screws
- 4 x M6 x 30 Screws
- 4 x M8 x 30 Screws
- 4 xu0026nbsp;D5u0026nbsp;Flat Aluminium Washers
- 4u0026nbsp;xu0026nbsp;D8 Flatu0026nbsp;Aluminiumu0026nbsp;Washers
- 4 xu0026nbsp;M-G Nylonu0026nbsp;Washer
- 4 x W-Au0026nbsp;Screws For Wall Plugs
- 4 x W-B Plastic Wall Plugs
- 4 x W-C Washers
General Features:
SKU
TI979ELBFEMVSGAMZ-1518486
Model
SGB430
Weight
4
Warranty period
1 Year
Warranty type
Local (Singapore) manufacturer warranty