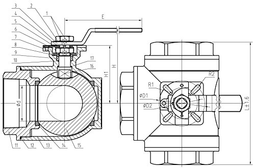
WOG1000 3-Way 304 Stainless Steel Ball Valve FPT SS304 SUS304