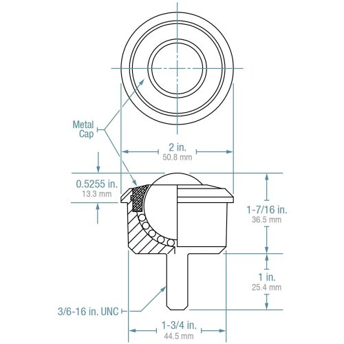
Hudson Bearings SHDBTM-1-3/16 Stud Heavy Duty Mounted Ball Transfer, Carbon Steel, 1-3/16" Diameter, 750 lbs Load Capacity (Case of 4)