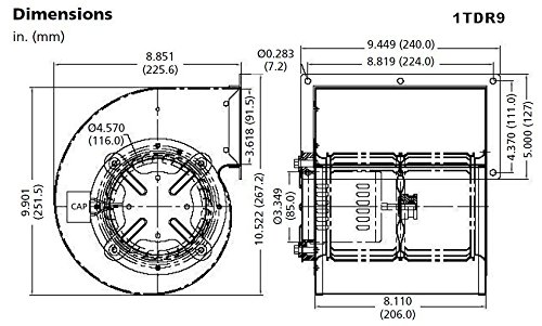
Dayton 1TDR9 Rectangular Permanent Split Capacitor OEM Specialty Blower