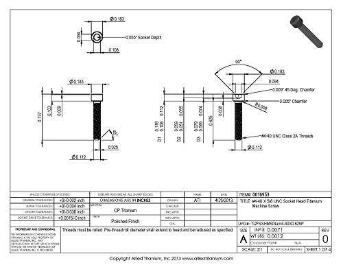
Allied Titanium 0016953, (Pack of 25) #4-40 X 5/8 UNC Socket Head Machine Screw, Grade 2 (CP)