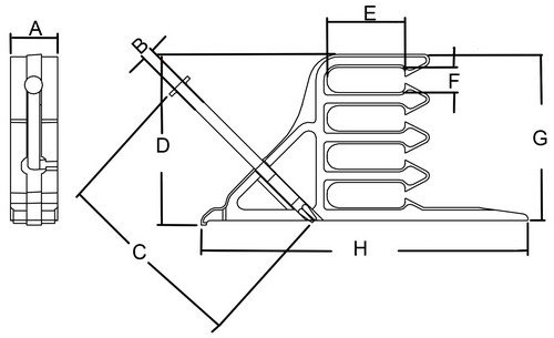
Morris 21757 Cable Stacker (Pack of 25)