USB Console Cable USB to RJ45 Cable Essential Accesory of Cisco, NETGEAR, Ubiquity, LINKSYS, TP-LINK Routers/Switches for Laptops in Windows, Mac, Linux (Blue)
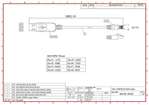
Replaces RS232 (DB-25/DB-9) serial port perfectly, connects from laptop/PC's USB port directly to a console port like a charm. No more RS232 Female and male adapters
An essential accessory of branded routers, switches, firewalls and wireless LAN controllers with CONSOLE port, such as Cisco, Ubiquiti, Juniper, Fortigate, Mikrotik, TP-Link, Huawei, HP ProCurve devices and more. An unique cable works flawlessly and quickly on laptop and desktop computer
Microsoft (HCL) certified to be compatible with Windows, no CD needed because the drivers are part of the OS distribution. If the drivers can't be automatically installed, please ask us to provide installation guidance
Full support for 32-bit and 64-bit Windows, MAC, Linux and Android. Please check belowing 'Product description' for supported operating systems list