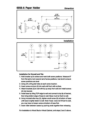
MODONA 6956-A Toilet Paper Holder Chrome Victoria Series

[Product Information]