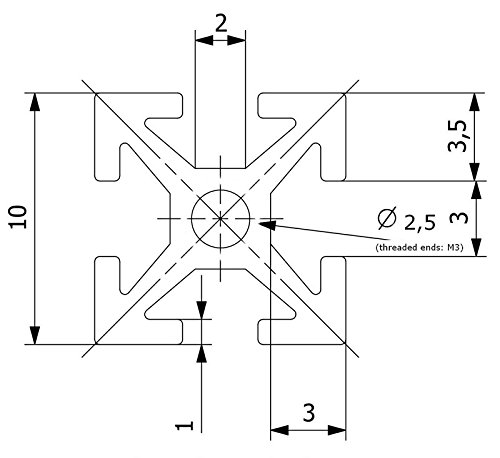
MakerBeam 200x10x10mm beam black anodised (pack of 8)