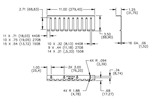
Pomona Electron 4408/POM 10-Slot Test Lead Rack Holder Black Steel No.2 Temper 1-2 Hard