Stepper Motor Nema 17, 3 PCS Nema 17 Stepper Motor 4-lead 1.8 Deg 40N.cm Holding Torque 1.7A 42 Motor for 3D Printer Hobby CNC Router XYZ By Beauty Star
[Product Information]
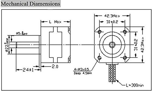
This is the most popular Nema 17 model. It is equipped with 1.8 degree step angle (200 steps / revolution)
Each phase current is 1.7A & phase reslstance 1.5ohms, and the holding moment is 40Ncm.
NEMA 17 bipolar 4-wire: Yellow A +, blue A-, green B +, Red B-; wire length: 14 inches
Warning: It should be connected to a constant current or chopper driver as a stepper motor. If you connect the motor directly to a power supply, the motor is destroyed.
100% brand new from "STEPPERONLINE" and ROHS and CE certified.