■在庫はない場合は、通常5~10日以内に発送。販売元直送の場合もあります、発送後に追跡番号を発行。 納品日数は最大10-15日の場合もあります。
■初期不良・不良品による返品・交換(3日内)の返品送料はお客様負担となります。
DIY Dual Channel TDA2030A Power Amplifier Board DIY Kit for Arduino Electronic Production
![]()
Pure power amp is simply the volume of the amplifier without preamplifier circuit audio input directly promote the pronunciation without any modification after speaker amplified sound authentic pure and natural. The amplifier board is pretty sound using two classic ST's TDA2030 amplifier IC composed of pure power amp single power supply input voltage single supply AC 9V-15V rational component layout strong power (15Wx2) almost no static noise an excellent sense of hearing fewer external components easy to install very suitable for conversion or installation of home audio system widely used in a variety of speakers
1.Principle
The power amplifier IC TDA2030 amplifier board is composed of the center component layout is reasonable almost no static noise high fidelity low distortion fewer external components assembly is simple big power 15W + 15W) etc. suitable for electronic enthusiasts and audiophiles DIY student assembly.

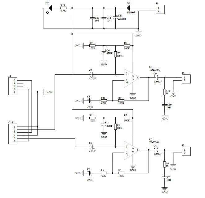
Circuit for rectifying diode D C11 for the filter capacitor C12 C13 for high frequency decoupling capacitors; RP for volume control potentiometer; IC1 IC2 is a two-channel amplifier IC; R1 R2 R3 C1 (R7 R8 R9 C6) for the bias circuit amplifier IC input as the circuit is a single supply power amplifier IC when the input DC voltage to half the supply voltage circuit to work properly; R4 R5 C3 (R10 R11 C8) form a negative feedback loop change R4 (R10) can change the size of the feedback coefficients. C2 (C7) is the input coupling capacitor C4 (C9) is the output coupling capacitor; when the circuit is connected with inductive load speaker R6 C5 (R12 C10) ensures high frequency stability.
2.Performance parameters
Input voltage: AC9-15V or DC9-15V (DC input note to distinguish between sub-polar AC input regardless of polarity)
Output power: Po = 15W + 15W (RL = 4ω)
Output impedance: 4-8 ω
PCB Size: 66x56mm thickness: 1.6mm Material: FR-4
3.Parts lists





