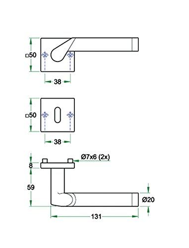
Türdrücker Garnitur DONAU auf Rosette eckig mit BB Schlüssel Rosetten, Chrom poliert, Edelstahl matt gebürstet, Türbeschlag