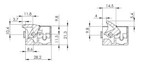
Elektrischer Türöffner D-45.ND/Flex