

Product Description
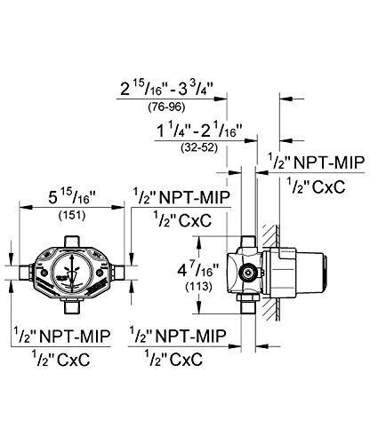
Grohsafe 35015000 pressure balance rough-in valve/mixing valve handle limit stop - limiting the extent of handle movement toward the full hot position Diaphragm cartridge check valves built-in BY-PASS service stops - allows you to shut off water at valve compensates for hot or cold water pressure fluctuations and maintains selected shower temperature - no matter how the water pressure is effected protects against scalding if the cold water supply is cut off by automatically shutting off the flow of hot water protects against cold water shock if the hot water supply is cut off by automatically shutting off the flow of cold water allows back to back installation, eliminating expensive piping includes cap and plug for 3 port installation universal connection is 1/2 inch male by Copper sweat (top port) 5.5 GPM at 45 psi (21 L/min) (bottom port) 5.8 GPM at 45 psi (22 L/min) grohsafe features a rotating handle control which allows the user a wide comfort zone so they can gradually aFeature
Compensates for hot or cold water pressure fluctuations and maintains selected shower temperature - no matter how the water pressure is effected