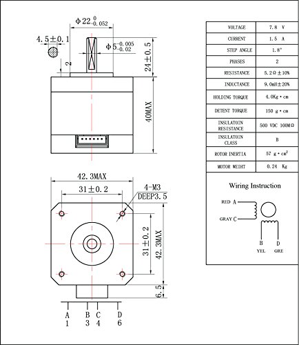
HICTOP Nema 17 Stepper Motor Bipolar 1.5A 57oz.in 40mm 4-lead for 3D Printer/CNC 3PCS