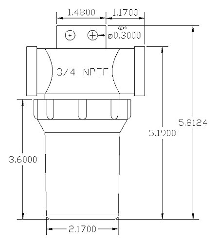
3/4" Female NPT In-Line Strainer with mounting tab and 50 mesh stainless steel screen