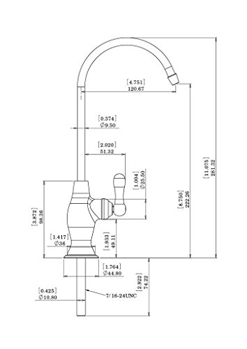
Avanti Membrane Technology designer RO filter Drinking Water Faucet - Ceramic disk, lead-free, non-air gap - RF906-CP Polished Chrome
[Product Information]
NSF / ANSI 61 certified - safe drinking water system components
premium designer drinking water faucet – Made in Taiwan
quarter-turn single lever with precise flow control and no-drip 360-degree swivel spout
lead-free solid brass and 304 stainless steel construction with long-lasting ceramic disk cartridge
fits opening between 5/8” and 1-1/4”; fits countertop up to 1-7/8" thick; connected with 1/4” drinking water supply tube (not included); for 3/8" supply tube, a quick-connect adapter (ASIN B0796JNK4Z) is needed and sold separately