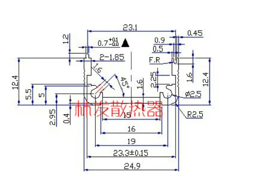
Brand Name:STYHOMSUN
Material:Aluminum