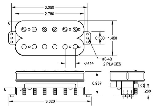
Seymour Duncan - 11103-17-Z - TB-5 Duncan Custom Trembkr Zebra