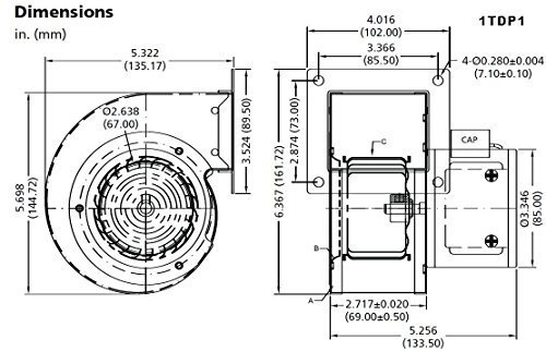
Dayton 1TDP1 Rectangular Permanent Split Capacitor OEM Specialty Blower