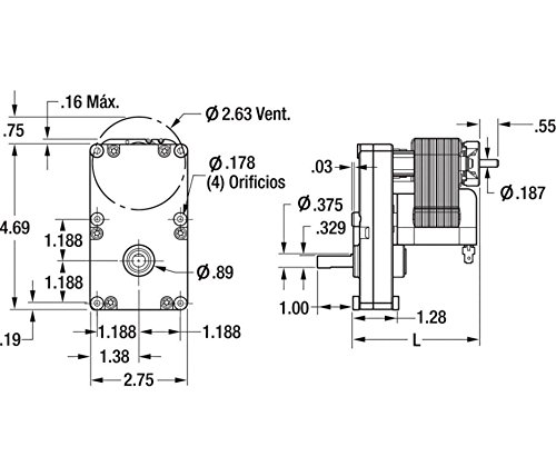
Dayton 1LNF8 AC Gearmotor 115 Nameplate RPM 6 Max. Torque 150.0 in.-lb. Enclosure Open