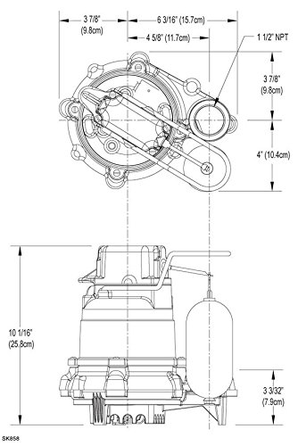
Zoeller M53 Mighty-mate Submersible Sump Pump, 1/3 Hp