단일색상

Rock Shox Rear Shock Service Parts


Studio : RockShox

Publisher : RockShox

Binding : Sports

Product Description
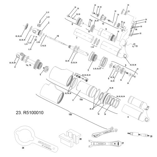
Rock Shox RockShox Service Kit Vivid Air 2011 (Basic) Forks - Spares Greys
0