Red

DIALIGHT 551-0407F INDICATOR, LED PCB, 3MM, RED, 2V (1 piece)


Studio : Dialight

Publisher : Dialight

Product Description
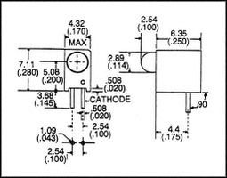
LED Uni-Color Red 650nm 2-Pin Bulk
0