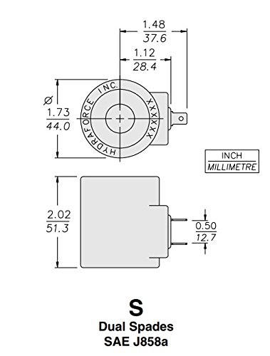
HY 6351012 - Hydra Force Coil 2 Spade 12 Volt DC Fits 10, 12, 16, 38 and 58 series Hydraforce Stems (5/8" Hole)