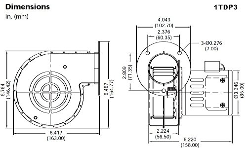
Dayton 1TDP3 Round OEM Blower With Flange, Voltage 115, 3016 RPM Replacement for 4C443