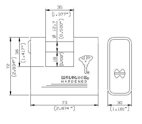
Mul-t-lock MT5+ #35 C-Series sliding bolt

[Product Information]