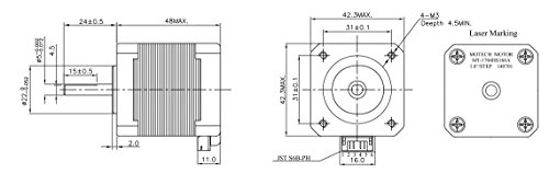
5.6kgcm / 77ozin NEMA17 Stepper Motor, 4 Pack